Piezo actuator; PICMA® piezo actuator drive; 15 µm travel range (open loop); 20 mm length; push force capacity 50 N; pull force capacity 1 N; connecting wires; 0.3 m cable length
P-810 • P-830 Piezo Actuators
For Medium Loads and Push Forces
- Outstanding lifetime due to PICMA® piezo actuators
- Travel range to 60 µm
- Push force capacity to 1000 N
- Pull force capacity to 5 N
- µs response time
- Subnanometer resolution



Application fields
- Static and dynamic precision positioning
- Fiber positioning
- Laser tuning
- Patch clamp
- Nanotechnology
Outstanding lifetime thanks to PICMA® piezo actuators
The PICMA® piezo actuators are all-ceramic insulated. This protects them against humidity and failure resulting from an increase in leakage current. PICMA® actuators offer an up to ten times longer lifetime than conventional polymer-insulated actuators. 100 billion cycles without a single failure are proven.
Specifications
Specifications
| Motion | P-810.10 | P-810.20 | P-810.30 | P-830.10 | P-830.20 | P-830.30 | P-830.40 | Tolerance |
|---|---|---|---|---|---|---|---|---|
| Active axes | Z | Z | Z | Z | Z | Z | Z | |
| Travel range in Z, open loop, at 0 to 100 V | 15 µm | 30 µm | 45 µm | 15 µm | 30 µm | 45 µm | 60 µm | ±20 % |
| Positioning | P-810.10 | P-810.20 | P-810.30 | P-830.10 | P-830.20 | P-830.30 | P-830.40 | Tolerance |
| Resolution in Z, open loop | 0.15 nm | 0.3 nm | 0.45 nm | 0.15 nm | 0.3 nm | 0.45 nm | 0.6 nm | typ. |
| Drive Properties | P-810.10 | P-810.20 | P-810.30 | P-830.10 | P-830.20 | P-830.30 | P-830.40 | Tolerance |
| Drive type | PICMA® | PICMA® | PICMA® | PICMA® | PICMA® | PICMA® | PICMA® | |
| Electrical capacitance in Z | 0.3 µF | 0.7 µF | 1 µF | 1.5 µF | 3 µF | 4.5 µF | 6 µF | ±20 % |
| Mechanical Properties | P-810.10 | P-810.20 | P-810.30 | P-830.10 | P-830.20 | P-830.30 | P-830.40 | Tolerance |
| Stiffness in Z | 14 N/µm | 7 N/µm | 4 N/µm | 57 N/µm | 27 N/µm | 19 N/µm | 15 N/µm | ±20 % |
| Resonant frequency in Z, unloaded | 22 kHz | 15 kHz | 12 kHz | 23 kHz | 14 kHz | 10 kHz | 8.5 kHz | ±20 % |
| Permissible push force in Z | 50 N | 50 N | 50 N | 1000 N | 1000 N | 1000 N | 1000 N | max. |
| Permissible pull force in Z | 1 N | 1 N | 1 N | 5 N | 5 N | 5 N | 5 N | max. |
| Recommended preload for dynamic operation | 10 to 20 MPa | 10 to 20 MPa | 10 to 20 MPa | 10 to 20 MPa | 10 to 20 MPa | 10 to 20 MPa | 10 to 20 MPa | |
| Overall mass | 4 g | 6 g | 8 g | 10 g | 16 g | 21 g | 27 g | ±5 % |
| Material | Housing: Nonmagnetic stainless steel. Tips: Stainless steel. | Housing: Nonmagnetic stainless steel. Tips: Stainless steel. | Housing: Nonmagnetic stainless steel. Tips: Stainless steel. | Housing: Nonmagnetic stainless steel. Tips: Stainless steel. | Housing: Nonmagnetic stainless steel. Tips: Stainless steel. | Housing: Nonmagnetic stainless steel. Tips: Stainless steel. | Housing: Nonmagnetic stainless steel. Tips: Stainless steel. | |
| Length | 20 mm | 38 mm | 56 mm | 22 mm | 40 mm | 58 mm | 76 mm | ±0,3 mm |
| Miscellaneous | P-810.10 | P-810.20 | P-810.30 | P-830.10 | P-830.20 | P-830.30 | P-830.40 | Tolerance |
| Operating temperature range | -20 to 80 °C | -20 to 80 °C | -20 to 80 °C | -20 to 80 °C | -20 to 80 °C | -20 to 80 °C | -20 to 80 °C | |
| Connector | Stranded wires, PTFE isolated, AWG 28, Ø 0.69 mm | Stranded wires, PTFE isolated, AWG 28, Ø 0.69 mm | Stranded wires, PTFE isolated, AWG 28, Ø 0.69 mm | Stranded wires, PTFE isolated, AWG 28, Ø 0.69 mm | Stranded wires, PTFE isolated, AWG 28, Ø 0.69 mm | Stranded wires, PTFE isolated, AWG 28, Ø 0.69 mm | Stranded wires, PTFE isolated, AWG 28, Ø 0.69 mm | |
| Cable length | 0.3 m | 0.3 m | 0.3 m | 0.3 m | 0.3 m | 0.3 m | 0.3 m | +25 / -0 mm |
| Recommended controllers / drivers | E-503, E-505, E-610, E-617, E-621, E-625, E-663, E-709, E-831 | E-503, E-505, E-610, E-617, E-621, E-625, E-663, E-709, E-831 | E-503, E-505, E-610, E-617, E-621, E-625, E-663, E-709, E-831 | E-503, E-505, E-610, E-617, E-621, E-625, E-663, E-709, E-831 | E-503, E-505, E-610, E-617, E-621, E-625, E-663, E-709, E-831 | E-503, E-505, E-610, E-617, E-621, E-625, E-663, E-709, E-831 | E-503, E-505, E-610, E-617, E-621, E-625, E-663, E-709, E-831 |
Stiffness in Z: Static large-signal stiffness; dynamic small-signal stiffness is approx. 30 % higher.
The resolution of the system is only limited by the noise of the amplifier and measuring technology because PI piezo actuators are free of friction.
Downloads
Datasheet
Documentation
3D Models
P-830 3-D model
P-810 3-D model
Ask for a free quote on quantities required, prices, and lead times or describe your desired modification.
Piezo actuator; PICMA® piezo actuator drive; 30 µm travel range (open loop); 38 mm length; push force capacity 50 N; pull force capacity 1 N; connecting wires; 0.3 m cable length
Piezo actuator; PICMA® piezo actuator drive; 45 µm travel range (open loop); 56 mm length; push force capacity 50 N; pull force capacity 1 N; connecting wires; 0.3 m cable length
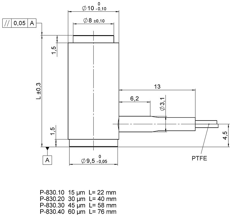
Piezo actuator; PICMA® piezo actuator drive; 15 µm travel range (open loop); 22 mm length; push force capacity 1000 N; pull force capacity 5 N; connecting wires; 0.3 m cable length
Piezo actuator; PICMA® piezo actuator drive; 30 µm travel range (open loop); 40 mm length; push force capacity 1000 N; pull force capacity 5 N; connecting wires; 0.3 m cable length
Piezo actuator; PICMA® piezo actuator drive; 45 µm travel range (open loop); 58 mm length; push force capacity 1000 N; pull force capacity 5 N; connecting wires; 0.3 m cable length
Piezo actuator; PICMA® piezo actuator drive; 60 µm travel range (open loop); 76 mm length; push force capacity 1000 N; pull force capacity 5 N; connecting wires; 0.3 m cable length


















