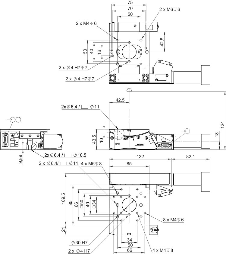
WT-85 Motorized Precision Goniometer
Compact, with Aperture
- Rotation range 10°
- Repeatability to 8.7 µrad
- Load capacity to 2 kg
- Option: Direct position measurement with angle measuring system
- Combination with WT-100 with shared pivot point






Precision-class goniometer stage
Drive with high gear ratio for precision positioning. Two limit switches. Large clear aperture with 30 mm diameter. Can be combined with WT-100 for 2-axis motion with shared pivot point.
Versions
- DC servo motor with rotary encoder on the motor shaft
- Stepper motor
- Option: High-resolution optical angle measuring system for direct position measurement
- Vacuum versions available on request
Application fields
Precision microassembly. Metrology. Photonics. Optical alignment.
Specifications
This content is only available on tablets or desktop devices.Specifications
Motion and positioning | 65409100 | 65409101 | 65409200-0000 | 65409201-0001 | Unit | Tolerance |
|---|---|---|---|---|---|---|
Rotation range | 10 | 10 | 10 | 10 | ° | |
Integrated sensor | Rotary encoder | Incremental angle measuring system Rotary encoder | – | Incremental angle measuring system | ||
Sensor signal rotary encoder | AB quadrature, RS-422 | AB quadrature, RS-422 | – | – | ||
Sensor signal angle measuring system | AB quadrature, RS-422 | – | Sin/cos, 1 V peak-peak | |||
Sensor signal period angle measuring system | – | 211 | – | 211 | µrad | |
Sensor resolution rotary encoder | 2000 | 2000 | – | – | Counts/rev. | |
Design resolution | 4.65 | 2.11 | 46.5 (full step) | 2.11 | µrad | |
Minimum incremental motion | 17.5 | 2 | 17.5 | 2 | µrad | Typ. |
Unidirectional repeatability | 69.8 | 8.7 | 69.8 | 8.7 | µrad | Typ. |
Bidirectional repeatability | ±69.8 | ±8.7 | ±69.8 | ±8.7 | µrad | Typ. |
Wobble | ±125 | ±125 | ±125 | ±125 | µrad | Typ. |
Angular velocity | 15 | 15 | 7 | 7 | °/s | Max. |
Gap from rotational axis to surface of the motion platform | 80.5 | 80.5 | 80.5 | 80.5 | mm | |
Limit switches | 2 × mechanical, N/C contact, to 30V, NPN | 2 × mechanical, N/C contact, to 30V, NPN | 2 × mechanical, N/C contact, to 30V, NPN | 2 × mechanical, N/C contact, to 30V, NPN |
Mechanical properties | 65409100 | 65409101 | 65409200-0000 | 65409201-0001 | Unit | Tolerance |
|---|---|---|---|---|---|---|
Drive screw type | Ball screw | Ball screw | Ball screw | Ball screw | ||
Drive screw pitch | 1 | 1 | 1 | 1 | mm | |
Guide type | Ball bearings | Ball bearings | Ball bearings | Ball bearings | ||
Gear ratio | 675:1 | 675:1 | 675:1 | 675:1 | ||
Load capacity | 20 | 20 | 20 | 20 | N | Max. |
Torque Mx, power on | 0.75 | 0.75 | 0.75 | 0.75 | N·m | Max. |
Permissible lateral force | 15 | 15 | 15 | 15 | N | Max. |
Permissible torque in θy, θz | 4 | 4 | 4 | 4 | N·m | Max. |
Miscellaneous | 65409100 | 65409101 | 65409200-0000 | 65409201-0001 | Unit | Tolerance |
|---|---|---|---|---|---|---|
Operating temperature range | 5 to 40 | 5 to 40 | 5 to 40 | 5 to 40 | °C | |
Material | Aluminum, anodized | Aluminum, anodized | Aluminum, anodized | Aluminum, anodized | ||
Mass | 0.9 | 0.9 | 0.9 | 1.1 | kg | ±5% |
Connector | HD D-sub 15 (m) (motor/sensor) | HD D-sub 15 (m) (motor) D-sub 9 (m) (sensor) | HD D-sub 15 (m) | HD D-sub 15 (m) (motor) D-sub 9 (m) (sensor) | ||
Recommended controllers/drivers | C-863 (single axis) C-884 (up to 6 axes) C-885 with C-863.20C885 (to 40 axes) ACS modular controller | C-863 (single axis) C-884 (up to 6 axes) C-885 with C-863.20C885 (to 40 axes) ACS modular controller | C-663.12 (single axis) SMC Hydra (double axis) C-885 with C-663.12C885 (up to 20 axes) ACS modular controller | C-663.12 (single axis) SMC Hydra (double axis) C-885 with C-663.12C885 (up to 20 axes) ACS modular controller |
Downloads
Documentation
User Manual WT-85
WT-85 Goniometer
3D Models
WT-85 3-D model
Quote / Order
Ask for a free quote on quantities required, prices, and lead times or describe your desired modification.













