Preloaded piezo actuator; PICMA® piezo actuator drive; 15 µm travel range (open loop); 26 mm length; push force capacity 50 N; pull force capacity 10 N; LEMO connector; 1 m cable length
P-820 Preloaded Piezo Actuators
For Medium Loads and Forces
- Outstanding lifetime due to PICMA® piezo actuators
- Travel range to 45 µm
- Push force capacity to 50 N
- Pull force capacity to 10 N
- µs response time, sub-nm resolution
- Variants with spherical tip
Application fields
- Static and dynamic precision positioning
- Fiber positioning
- Laser tuning
- Nanotechnology
Outstanding lifetime thanks to PICMA® piezo actuators
The PICMA® piezo actuators are all-ceramic insulated. This protects them against humidity and failure resulting from an increase in leakage current. PICMA® actuators offer an up to ten times longer lifetime than conventional polymer-insulated actuators. 100 billion cycles without a single failure are proven.
Specifications
Specifications
| Motion | P-820.10 | P-820.1B | P-820.20 | P-820.30 | P-820.3B | Tolerance |
|---|---|---|---|---|---|---|
| Active axes | Z | Z | Z | Z | Z | |
| Travel range in Z, open loop, at 0 to 100 V | 15 µm | 15 µm | 30 µm | 45 µm | 45 µm | ±20 % |
| Positioning | P-820.10 | P-820.1B | P-820.20 | P-820.30 | P-820.3B | Tolerance |
| Resolution in Z, open loop | 0.15 nm | 0.15 nm | 0.3 nm | 0.45 nm | 0.45 nm | typ. |
| Drive Properties | P-820.10 | P-820.1B | P-820.20 | P-820.30 | P-820.3B | Tolerance |
| Drive type | PICMA® | PICMA® | PICMA® | PICMA® | PICMA® | |
| Electrical capacitance in Z | 0.3 µF | 0.3 µF | 0.7 µF | 1 µF | 1 µF | ±20 % |
| Mechanical Properties | P-820.10 | P-820.1B | P-820.20 | P-820.30 | P-820.3B | Tolerance |
| Stiffness in Z | 13 N/µm | 13 N/µm | 7 N/µm | 4 N/µm | 4 N/µm | ±20 % |
| Resonant frequency in Z, unloaded | 22 kHz | 22 kHz | 15 kHz | 12 kHz | 12 kHz | ±20 % |
| Permissible push force in Z | 50 N | 50 N | 50 N | 50 N | 50 N | max. |
| Permissible pull force in Z | 10 N | 10 N | 10 N | 10 N | 10 N | max. |
| Overall mass | 8 g | 8 g | 11 g | 14 g | 14 g | ±5 % |
| Material | Housing / tip material: Stainless steel. | Housing / tip material: Stainless steel. | Housing / tip material: Stainless steel. | Housing / tip material: Stainless steel. | Housing / tip material: Stainless steel. | |
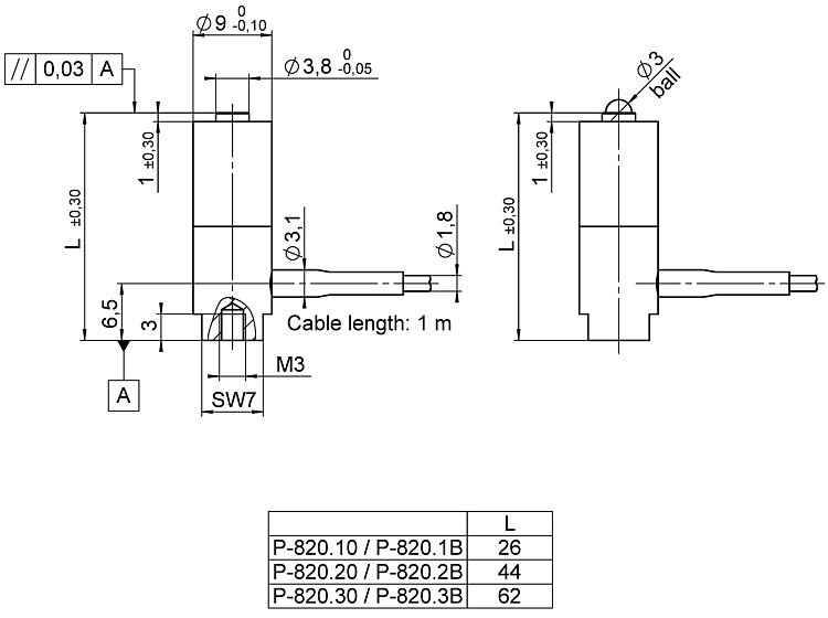
| Length | 26 mm | 26 mm | 44 mm | 62 mm | 62 mm | ±0,3 mm |
| Mechanical interface | Spherical tip | Spherical tip | ||||
| Miscellaneous | P-820.10 | P-820.1B | P-820.20 | P-820.30 | P-820.3B | Tolerance |
| Operating temperature range | -20 to 80 °C | -20 to 80 °C | -20 to 80 °C | -20 to 80 °C | -20 to 80 °C | |
| Connector | LEMO FFA.00.250 | LEMO FFA.00.250 | LEMO FFA.00.250 | LEMO FFA.00.250 | LEMO FFA.00.250 | |
| Cable length | 1 m | 1 m | 1 m | 1 m | 1 m | |
| Recommended controllers / drivers | E-503, E-505, E-610, E-617, E-621, E-625, E-663, E-665, E-709, E-831 | E-503, E-505, E-610, E-617, E-621, E-625, E-663, E-665, E-709, E-831 | E-503, E-505, E-610, E-617, E-621, E-625, E-663, E-665, E-709, E-831 | E-503, E-505, E-610, E-617, E-621, E-625, E-663, E-665, E-709, E-831 | E-503, E-505, E-610, E-617, E-621, E-625, E-663, E-665, E-709, E-831 |
Stiffness in Z: Static large-signal stiffness; dynamic small-signal stiffness is approx. 30 % higher.
The resolution of the system is only limited by the noise of the amplifier and measuring technology because PI piezo actuators are free of friction.
Downloads
Datasheet
Documentation
User Manual P820M0001
P-820 Preloaded piezo actuators for light and medium loads
3D Models
3-D-model P-820.x0
3-D-model P-820.xB
Quote / Order
Ask for a free quote on quantities required, prices, and lead times or describe your desired modification.
Preloaded piezo actuator; PICMA® piezo actuator drive; 15 µm travel range (open loop); 26 mm length; push force capacity 50 N; pull force capacity 10 N; spherical tip; LEMO connector; 1 m cable length
Preloaded piezo actuator; PICMA® piezo actuator drive; 30 µm travel range (open loop); 44 mm length; push force capacity 50 N; pull force capacity 10 N; LEMO connector; 1 m cable length
Preloaded piezo actuator; PICMA® piezo actuator drive; 45 µm travel range (open loop); 62 mm length; push force capacity 50 N; pull force capacity 10 N; LEMO connector; 1 m cable length
Preloaded piezo actuator; PICMA® piezo actuator drive; 45 µm travel range (open loop); 62 mm length; push force capacity 50 N; pull force capacity 10 N; spherical tip; LEMO connector; 1 m cable length

















