PIHera precision linear nanopositioner, 100 µm, direct position measuring, capacitive sensor, D-sub connector, vacuum-compatible to 10-9 hPa
P-621.1U • P-625.1U PIHera Linear Precision Positioner
Vacuum Compatible and with Variable Travel Ranges and Axis Configuration
- Travel ranges 100 to 500 µm (600 µm open loop)
- Resolution to 0.2 nm
- Linearity error ≤0.03 %
- XY combination possible
- UHV compatible to 10-9 hPa





Application fields
- Interferometry
- Microscopy
- Nanopositioning
- Biotechnology
- Test applications
- Semiconductor technology
- Photonics
- Fiber positioning
Suitable for sophisticated vacuum applications
All components used in the piezo systems are excellently suited for use in vacuum. No lubricant or grease is necessary for operating. Polymer-free piezo systems allow particularly low outgas rates.
Outstanding lifetime due to PICMA® piezo actuators
The PICMA® piezo actuators are all-ceramic insulated. This protects them against humidity and failure resulting from an increase in leakage current. PICMA® actuators offer an up to ten times longer lifetime than conventional polymer-insulated actuators. 100 billion cycles without a single failure are proven.
Subnanometer resolution with capacitive sensors
Capacitive sensors measure with subnanometer resolution without contacting. They guarantee excellent linearity of motion, long-term stability, and a bandwidth in the kHz range.
High guiding accuracy due to zero-play flexure guides
Flexure guides are free of maintenance, friction, and wear, and do not require lubrication. Their stiffness allows high load capacity and they are insensitive to shock and vibration. They work in a wide temperature range.
Maximum accuracy due to direct position measuring
Motion is measured directly at the motion platform without any influence from the drive or guide elements. This allows optimal repeatability, outstanding stability, and stiff, fast-responding control.
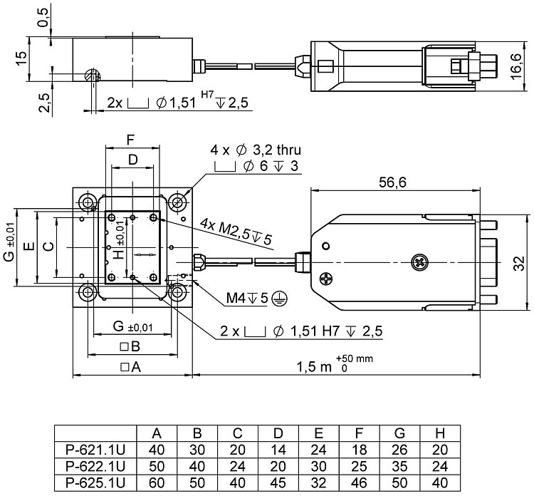
Specifications
Specifications
| Motion | P-621.1U | P-622.1U | P-625.1U | Tolerance |
|---|---|---|---|---|
| Active axes | X | X | X | |
| Travel range in X | 100 µm | 250 µm | 500 µm | |
| Travel range in X, open loop | 120 µm | 300 µm | 600 µm | ±20 % |
| Linearity error in X | 0.02 % | 0.02 % | 0.03 % | typ. |
| Pitch (Rotational crosstalk in θY with motion in X) | ± 3 µrad | ± 3 µrad | ± 6 µrad | typ. |
| Yaw (Rotational crosstalk in θZ with motion in X) | ± 3 µrad | ± 3 µrad | ± 6 µrad | typ. |
| Positioning | P-621.1U | P-622.1U | P-625.1U | Tolerance |
| Bidirectional repeatability in X | 1 nm | 1 nm | 5 nm | typ. |
| Resolution in X, open loop | 0.2 nm | 0.4 nm | 0.5 nm | typ. |
| Integrated sensor | Capacitive, direct position measuring | Capacitive, direct position measuring | Capacitive, direct position measuring | |
| System resolution in X | 0.4 nm | 0.7 nm | 1.4 nm | |
| Drive Properties | P-621.1U | P-622.1U | P-625.1U | Tolerance |
| Drive type | PICMA® | PICMA® | PICMA® | |
| Maximum power consumption | 9 W | 9 W | 10 W | |
| Electrical capacitance in X | 1.5 µF | 3.1 µF | 6.2 µF | ±20 % |
| Short-term maximum operating frequency | 267 Hz | 133 Hz | 72 Hz | |
| Mechanical Properties | P-621.1U | P-622.1U | P-625.1U | Tolerance |
| Stiffness in X | 0.35 N/µm | 0.2 N/µm | 0.1 N/µm | ±20 % |
| Resonant frequency in X, unloaded | 800 Hz | 400 Hz | 215 Hz | ±20 % |
| Resonant frequency in X, under load with 20 g | 520 Hz | 340 Hz | 180 Hz | ±20 % |
| Resonant frequency in X, under load with 120 g | 240 Hz | 185 Hz | 110 Hz | ±20 % |
| Permissible push force in X | 10 N | 10 N | 10 N | max. |
| Permissible push force in Y | 10 N | 10 N | 10 N | max. |
| Permissible push force in Z | 10 N | 10 N | 10 N | max. |
| Permissible pull force in X | 10 N | 10 N | 10 N | max. |
| Guide | Flexure guide with lever amplification | Flexure guide with lever amplification | Flexure guide with lever amplification | |
| Overall mass | 160 g | 200 g | 240 g | |
| Material | Aluminum | Aluminum | Aluminum | |
| Miscellaneous | P-621.1U | P-622.1U | P-625.1U | Tolerance |
| Operating temperature range | -20 to 80 °C | -20 to 80 °C | -20 to 80 °C | |
| Vacuum class | 10⁻⁹ hPa | 10⁻⁹ hPa | 10⁻⁹ hPa | |
| Connector | D-sub 5W1 (f) | D-sub 5W1 (f) | D-sub 5W1 (f) | |
| Cable length | 1.5 m | 1.5 m | 1.5 m | |
| Recommended controllers / drivers | E-503, E-505, E-610, E-621, E-625, E-665, E-709, E-754 | E-503, E-505, E-610, E-621, E-625, E-665, E-709, E-754 | E-503, E-505, E-610, E-621, E-625, E-665, E-709, E-754 |
The resolution of the system is limited only by the noise of the amplifier and the measuring technology because PI piezo nanopositioning systems are free of friction.
All specifications based on room temperature (22 °C ±3 °C).
Downloads
Datasheet
Documentation
User Manual PZ234
P-620, P-621, P-622, P-625, P-628, P-629 PIHera Piezo Stages with Capacitive Sensors
3D Models
P-62x.1 STEP
Quote / Order
Ask for a free quote on quantities required, prices, and lead times or describe your desired modification.
PIHera precision linear nanopositioner, 250 µm, direct position measuring, capacitive sensor, D-sub connector, vacuum-compatible to 10-9 hPa
PIHera precision linear nanopositioner, 500 µm, direct position measuring, capacitive sensor, D-sub connector, vacuum-compatible to 10-9 hPa
How to Get a Quote

Questions? - Ask a PI Engineer
Technology

PICMA® Technology
Highly reliable and extended lifetime through the patented manufacturing process for multilayer actuators.

Vacuum
Careful handling, adequate premises: PI does not only have the necessary equipment for the qualification of materials, components and final products, but also has many years of experience with regard to HV und UHV positioning systems.

Flexure Guiding Systems
Flexure guides from PI have proven their worth in nanopositioning. They guide the piezo actuator and ensure a straight motion without tilting or lateral offset.

Capacitive Sensors
Capacitive sensors are the metrology system of choice for the most demanding nanopositioning applications.






















