- Displacement to 120µm
- Pushing Forces to 30000N (6,600 lbs)
- Pulling Forces to 3500N
- Extremely High Stiffness
- Options: UHV, Low & High Temperature, Water Protected
P-243 and P-247 are extreme high load linear actuators capable to handle forces up to 6,600lbs (3tons). These closed-loop actuators (optional) are ideal for high precision motion applications with nanometer resolution, where fast response is required. However, they can also be used in static mode. These piezo actuators have the advantage of holding a very high load without the need for electric power (piezo effect) and they can provide-millisecond response and sub-nanometer precision. The high load capacity and high force internal spring preload makes them ideal for machining applications and vibration cancellation.
Standard PZT actuator models can be operated in open-loop (more economical) and still provide very high resolution. The Closed-Loop actuator models (P-177.10 option) additionally provide very high accuracy and repeatability by means of an integrated strain gauge position feedback sensor for real time closed loop control with a high-performance PI servo controller electronics.
The P-247 linear actuator models are equipped with thinner piezo layers for more stroke compared to the P-243 actuator models. On the other hand, their maximum operating voltage is limited to -1000 V with voltages in excess of -750 V recommended only for short periods of time.
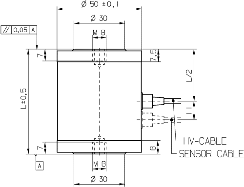
The P-247.xx, P-243.30 and P-243.40 actuator models are encased in a stainless steel case with internal spring preload protecting the piezo stack from external pulling forces. The shorter actuator Models P-243.10 and P-243.20 come with an aluminum case, stainless steel end pieces, and spring bolts providing the preload.
Application examples:
Diamond turning, laser machining, active optics, precision machining, adaptive mechanics, vibration cancellation, smart structures, static and dynamic positioning of heavy parts, force generation for bending or compressing of material, etc.
Factory Installed Options:1)
P-177.10 Closed Loop Option
P-702.10 High Temperature Option
P-702.20 Low Temperature Option
P-703.20 High Vacuum Option
P-705.00 Positive Polarity
P-706.xx Water Protected Case (not for P-243.10 and P-243.20)
1) When ordering the following options, change the last digit to 7, e.g. P-243.10 to P-243.17, and list options separately.
P-243 P-247 Ultra-High Load Linear Actuators with Closed-Loop Option, Preloaded (Piezo Linear Translators)
| TECHNICAL DATA: P-243, P-247 | ||||||||||
Models * | P-243.10 | P-243.20 | P-243.30 | P-243.40 | P-247.20 | P-247.30 | P-247.50 | P-247.70 | Units | |
Open loop travel @ 0 to -1000 V | 10 | 20 | 40 | 60 | 20 | 40 | 80 | 120 | µm ± 20 % | A4 |
* Closed loop travel ³ | 10 | 20 | 40 | 60 | 20 | 40 | 80 | 120 | µm | A5 |
* Integrated feedback sensor | SGS | SGS | SGS | SGS | SGS | SGS | SGS | SGS | B | |
* Closed / open loop ** resolution | 0.2 / 0.1 | 0.4 / 0.2 | 0.8 / 0.4 | 1.2 / 0.6 | 0.4 / 0.2 | 0.8 / 0.4 | 1.6 / 0.8 | 2.4 / 1.2 | nm | C4 |
Stiffness | 2130 | 1160 | 625 | 420 | 2100 | 1120 | 590 | 400 | N/µm | D1 |
Force generation (blocked) | 21000 | 23000 | 25000 | 25000 | 42000 | 45000 | 47000 | 48000 | N ± 20 % | D2 |
Push/pull force capacity | 30 / 2 | 30 / 2 | 30 / 2 | 30 / 2 | 30 / 3.5 | 30 / 3.5 | 30 / 3.5 | 30 / 3.5 | kN | D3 |
Torque limit (at tip) | 2000 | 2000 | 2000 | 2000 | 2000 | 2000 | 2000 | 2000 | mNm | D6 |
Max. operating voltage | -1500 | -1500 | -1500 | -1500 | -1000 | -1000 | -1000 | -1000 | V | A7 |
Electrical capacitance | 360 | 720 | 1330 | 1800 | 1220 | 2300 | 4400 | 6560 | nF ± 20 % | F1 |
Dynamic operating current coefficient (DOCC) | 45 | 45 | 45 | 45 | 76 | 76 | 76 | 76 | µA/ | F2 |
Unloaded resonant frequency (f0) | 11 | 8 | 5 | 3.5 | 8 | 6.5 | 4.5 | 3 | kHz ± 20 % | G2 |
Standard operating temperature range | -40 to +80 | -40 to +80 | -40 to +80 | -40 to +80 | -40 to +80 | -40 to +80 | -40 to +80 | -40 to +80 | ° C | H2 |
Voltage connection | VH | VH | VH | VH | VH | VH | VH | VH | J1 | |
* Sensor connection | L | L | L | L | L | L | L | L | J2 | |
Weight without cables | 460 | 630 | 850 | 960 | 580 | 660 | 830 | 960 | g ± 5 % | K |
Material case / end pieces | Al / N-S | Al / N-S | N-S | N-S | N-S | N-S | N-S | N-S | L1 | |
Length L | 41.5 | 63 | 116.5 | 144 | 56 | 73 | 116.5 | 144 | mm ± 0.5 | L2 |
Case type | A | A | B | B | B | B | B | B | L3 | |
Recommended Amplifier/Controller | B, J | B, J | B, J | B, J | B, J | B, J | B, J | B, J | M | |
* Closed loop models require the P-177.10 option and are supplied with calibration data sheets.
** Noise equivalent motion with E-507 amplifier.
This is a legacy product that may have limited availability or may have been replaced. Ask a PI engineer for an equivalent new model.











