High-resolution linear actuator with DC motor; DC gear motor; 10 mm travel range; 40 N feed force; 0.75 mm/s maximum velocity; trapezoidal-threaded spindle; incremental rotary encoder, 2048 counts/rev. sensor resolution; 0.1 m cable length
M-227 High-Resolution Linear Actuator with DC Motor
With Optional Piezo Drive
- Minimum incremental motion 0.05 µm
- Nonrotating tip
- Sub-nm resolution with optional piezo drive
Compact precision-class linear drive
High-resolution DC mike with closed-loop gearhead motors and rotary encoder. For installing into mechanical systems with external limit switches.
High-quality components
Nonrotating tip for uniform motion prevents wobble, torque, and wear at the point of contact. Incl. flat tip for decoupling forces. With differential encoder driver in the connector for a safe position signal transmission at distances up to 10 m
Application fields
OEM, alignment, set-and-forget
Specifications
Specifications
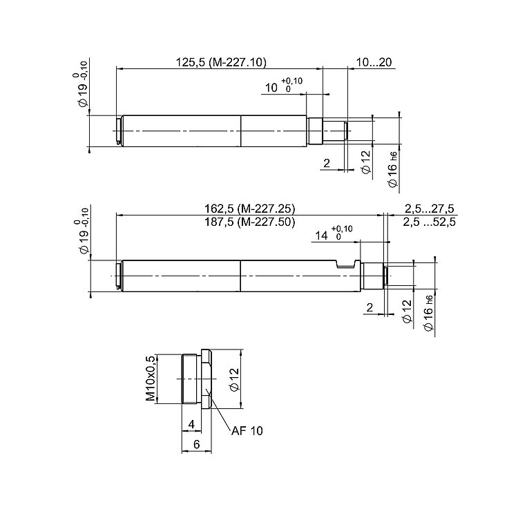
| Motion | M-227.10 | M-227.25 | M-227.50 | Tolerance |
|---|---|---|---|---|
| Active axes | X | X | X | |
| Travel range in X | 10 mm | 25 mm | 50 mm | |
| Maximum velocity in X, unloaded | 0.75 mm/s | 0.75 mm/s | 0.75 mm/s | |
| Positioning | M-227.10 | M-227.25 | M-227.50 | Tolerance |
| Minimum incremental motion in X | 0.05 µm | 0.05 µm | 0.05 µm | typ. |
| Unidirectional repeatability in X | ± 0.1 µm | ± 0.1 µm | ± 0.1 µm | typ. |
| Backlash in X | 10 µm | 10 µm | 10 µm | typ. |
| Reference switch | Encoder index | Encoder index | Encoder index | |
| Integrated sensor | Incremental rotary encoder | Incremental rotary encoder | Incremental rotary encoder | |
| Sensor resolution | 2048 Cts./rev. | 2048 Cts./rev. | 2048 Cts./rev. | |
| Drive Properties | M-227.10 | M-227.25 | M-227.50 | Tolerance |
| Drive type | DC gear motor | DC gear motor | DC gear motor | |
| Operating voltage | 0 to ±12 V | 0 to ±12 V | 0 to ±12 V | |
| Drive force in X | 40 N | 40 N | 40 N | typ. |
| Mechanical Properties | M-227.10 | M-227.25 | M-227.50 | Tolerance |
| Permissible push force in Y | 0.1 N | 0.1 N | 0.1 N | max. |
| Drive screw type | Trapezoidal drive screw | Trapezoidal drive screw | Trapezoidal drive screw | |
| Drive screw pitch | 0.5 mm | 0.5 mm | 0.5 mm | |
| Gear ratio i | 69,12 : 1 | 69,12 : 1 | 69,12 : 1 | |
| Overall mass | 160 g | 220 g | 260 g | |
| Material | Aluminum anodized, chrome steel | Aluminum anodized, chrome steel | Aluminum anodized, chrome steel | |
| Miscellaneous | M-227.10 | M-227.25 | M-227.50 | Tolerance |
| Operating temperature range | -20 to 65 °C | -20 to 65 °C | -20 to 65 °C | |
| Connector | D-sub 15-pin (m) | D-sub 15-pin (m) | D-sub 15-pin (m) | |
| Cable length | 0.1 m | 0.1 m | 0.1 m | |
| Recommended controllers / drivers | C-863.12 C-885 with C-863.20C885 C-884 | C-863.12 C-885 with C-863.20C885 C-884 | C-863.12 C-885 with C-863.20C885 C-884 |
Note on drive force: higher forces on request
Downloads
Datasheet
Documentation
Short Instructions MP122EK
Linear Actuators: M-168 / M-22x / M-23x
User Manual MP40
M-227 High-Resolution Linear Actuator with DC Motor
3D Models
M-227 3-D model
Quote / Order
Ask for a free quote on quantities required, prices, and lead times or describe your desired modification.
High-resolution linear actuator with DC motor; DC gear motor; 25 mm travel range; 40 N feed force; 0.75 mm/s maximum velocity; trapezoidal-threaded spindle; incremental rotary encoder, 2048 counts/rev. sensor resolution; 0.1 m cable length
High-resolution linear actuator with DC motor; DC gear motor; 50 mm travel range; 40 N feed force; 0.75 mm/s maximum velocity; trapezoidal-threaded spindle; incremental rotary encoder, 2048 counts/rev. sensor resolution; 0.1 m cable length












