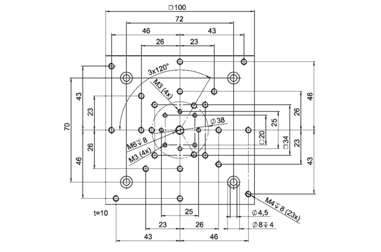
M-403.AP1 Adapter Plate

For Horizontal Mount of Stages with PI Standard Hole Pattern

  • And vertical mount of rotation stages on M-403/M-404 stages
M-403.AP1 Adapter Plate
Product Description Downloads Quote / Order

Downloads

Datasheet

Datasheet

Datasheet M-403.AP1

Version / Date
---
pdf - 727 KB
Version / Date
---
pdf - 716 KB

Quote / Order

Ask for a free quote on quantities required, prices, and lead times or describe your desired modification.

How to Get a Quote

Click on QUOTE / ORDER
Add variant to quote list
Fill out quote form
Send price request to PI
We will contact you shortly

Compatible Products