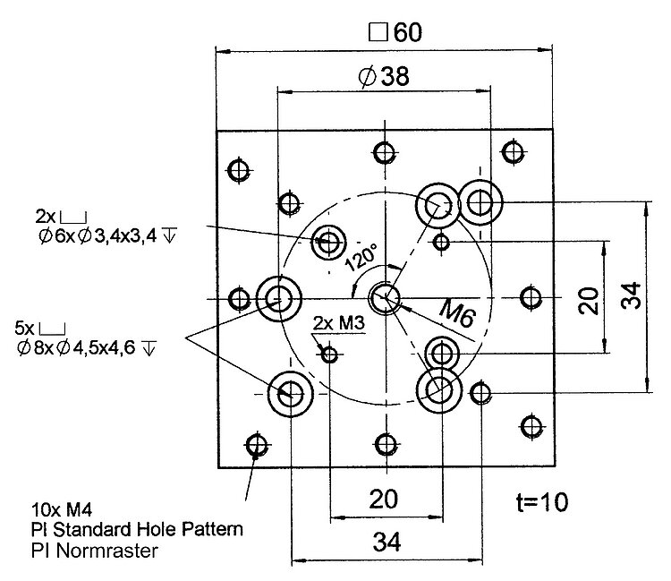
M-105.AP Adapter Plate

For Mounting Stages w/o PI Standard Hole Pattern (M-105/M-106, M-126 etc.) on Stages with PI Standard Hole Pattern and Vice Versa

  • On stages with PI standard hole pattern and vice versa
M-105.AP Adapter Plate
Product Description Downloads Quote / Order

Downloads

Datasheet

Datasheet

Datasheet M-105.AP

Version / Date
2015-04-13
pdf - 744 KB
Version / Date
2015-04-13
pdf - 737 KB

Quote / Order

Ask for a free quote on quantities required, prices, and lead times or describe your desired modification.

Ask about custom designs!

How to Get a Quote

Click on QUOTE / ORDER
Add variant to quote list
Fill out quote form
Send price request to PI
We will contact you shortly

Compatible Products