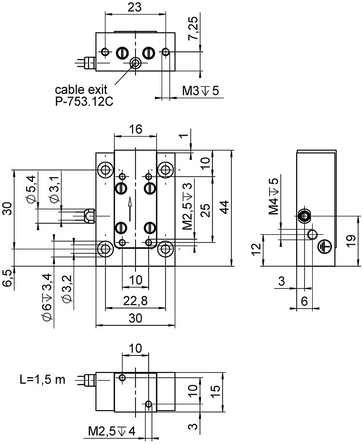
LISA linear actuator and positioning stage; 15 µm travel range; capacitive, direct position measuring; LEMO LVPZT; 1.5 m cable length
P-753 LISA Linear Actuator and Positioning Stage
Dynamic and Stable in Position
- Guided stage and actuator at the same time
- Travel range up to 38 µm
- Resolution 0.1 nm
- Particularly fast response behavior due to direct drive
- Highest linearity due to capacitive sensors




Application fields
- Scanning microscopy
- Measuring technology
- Test procedures and quality assurance
- Photonics
- Fiber positioning
Outstanding lifetime due to PICMA® piezo actuators
The PICMA® piezo actuators are all-ceramic insulated. This protects them against humidity and failure resulting from an increase in leakage current. PICMA® actuators offer an up to ten times longer lifetime than conventional polymer-insulated actuators. 100 billion cycles without a single failure are proven.
Subnanometer resolution with capacitive sensors
Capacitive sensors measure with subnanometer resolution without contacting. They guarantee excellent linearity of motion, long-term stability, and a bandwidth in the kHz range.
High guiding accuracy due to zero-play flexure guides
Flexure guides are free of maintenance, friction, and wear, and do not require lubrication. Their stiffness allows high load capacity and they are insensitive to shock and vibration. They work in a wide temperature range.
Maximum accuracy due to direct position measuring
Motion is measured directly at the motion platform without any influence from the drive or guide elements. This allows optimal repeatability, outstanding stability, and stiff, fast-responding control.
Higher stiffness and dynamics due to PICMA® direct drive
Piezo nanopositioners with PICMA® direct drive have no mechanical translation. This allows fast response speeds as well as the highest possible stiffness and dynamics in the piezo drive range.
Specifications
Specifications
| Motion | P-753.11C | P-753.1CD | P-753.21C | P-753.2CD | P-753.31C | P-753.3CD | Tolerance |
|---|---|---|---|---|---|---|---|
| Active axes | X | X | X | X | X | X | |
| Travel range in X | 15 µm | 15 µm | 30 µm | 30 µm | 38 µm | 38 µm | |
| Linearity error, closed loop | 0.03 % | 0.03 % | 0.03 % | 0.03 % | 0.03 % | 0.03 % | typ. |
| Angular error E_BX (pitch) | ± 5 µrad | ± 5 µrad | ± 7 µrad | ± 7 µrad | ± 10 µrad | ± 10 µrad | typ. |
| Angular error E_CX (yaw) | ± 5 µrad | ± 5 µrad | ± 7 µrad | ± 7 µrad | ± 10 µrad | ± 10 µrad | typ. |
| Positioning | P-753.11C | P-753.1CD | P-753.21C | P-753.2CD | P-753.31C | P-753.3CD | Tolerance |
| Integrated sensor | Capacitive, direct position measuring | Capacitive, direct position measuring | Capacitive, direct position measuring | Capacitive, direct position measuring | Capacitive, direct position measuring | Capacitive, direct position measuring | |
| System resolution in X | 0.1 nm | 0.1 nm | 0.2 nm | 0.2 nm | 0.25 nm | 0.25 nm | |
| Drive Properties | P-753.11C | P-753.1CD | P-753.21C | P-753.2CD | P-753.31C | P-753.3CD | Tolerance |
| Drive type | PICMA® | PICMA® | PICMA® | PICMA® | PICMA® | PICMA® | |
| Electrical capacitance in X | 1.5 µF | 1.5 µF | 3.1 µF | 3.1 µF | 4.6 µF | 4.6 µF | ±20 % |
| Mechanical Properties | P-753.11C | P-753.1CD | P-753.21C | P-753.2CD | P-753.31C | P-753.3CD | Tolerance |
| Stiffness in X | 45 N/µm | 45 N/µm | 24 N/µm | 24 N/µm | 16 N/µm | 16 N/µm | ±20 % |
| Resonant frequency in X, unloaded | 5600 Hz | 5600 Hz | 3700 Hz | 3700 Hz | 2900 Hz | 2900 Hz | ±20 % |
| Resonant frequency in X, under load with 200 g | 2500 Hz | 2500 Hz | 1700 Hz | 1700 Hz | 1400 Hz | 1400 Hz | ±20 % |
| Permissible push force in X | 100 N | 100 N | 100 N | 100 N | 100 N | 100 N | max. |
| Permissible push force in Z | 80 N | 80 N | 90 N | 90 N | 100 N | 100 N | max. |
| Permissible pull force in X | 20 N | 20 N | 20 N | 20 N | 20 N | 20 N | max. |
| Guide | Flexure guide with lever amplification | Flexure guide with lever amplification | Flexure guide with lever amplification | Flexure guide with lever amplification | Flexure guide with lever amplification | Flexure guide with lever amplification | |
| Overall mass | 160 g | 160 g | 215 g | 215 g | 260 g | 260 g | ±5 % |
| Material | Steel | Steel | Steel | Steel | Steel | Steel | |
| Miscellaneous | P-753.11C | P-753.1CD | P-753.21C | P-753.2CD | P-753.31C | P-753.3CD | Tolerance |
| Operating temperature range | -20 to 80 °C | -20 to 80 °C | -20 to 80 °C | -20 to 80 °C | -20 to 80 °C | -20 to 80 °C | |
| Connector | LEMO LVPZT | D-sub 7W2 (m) | LEMO LVPZT | D-sub 7W2 (m) | LEMO LVPZT | D-sub 7W2 (m) | |
| Sensor connector | LEMO for capacitive sensors | — | LEMO for capacitive sensors | — | LEMO for capacitive sensors | — | |
| Cable length | 1.5 m | 1.5 m | 1.5 m | 1.5 m | 1.5 m | 1.5 m | +50 / -0 mm |
| Recommended controllers / drivers | E-625, E-709.1C1L, E-754 | E-625, E-709.1C1L, E-754 | E-625, E-709.1C1L, E-754 | E-625, E-709.1C1L, E-754 | E-625, E-709.1C1L, E-754 | E-625, E-709.1C1L, E-754 |
The resolution of the system is limited only by the noise of the amplifier and the measuring technology because PI piezo nanopositioning systems are free of friction.
At PI, technical data is specified at 22 ±3 °C. Unless otherwise stated, the values are for unloaded conditions. Some properties are interdependent. The designation "typ." indicates a statistical average for a property; it does not indicate a guaranteed value for every product supplied. During the final inspection of a product, only selected properties are analyzed, not all. Please note that some product characteristics may deteriorate with increasing operating time.
Downloads
Product Note
Product Change Notification Piezo Actuator Driven Products
Datasheet
Documentation
User Manual PZ254
P-753 LISA High-Dynamics Piezo Nanopositioning Systems
3D Models
P-753 3-D model
Ask for a free quote on quantities required, prices, and lead times or describe your desired modification.
LISA linear actuator and positioning stage; 15 µm travel range; capacitive, direct position measuring; D-sub 7W2 (m); 1.5 m cable length
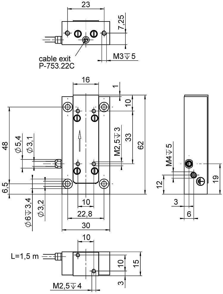
LISA linear actuator and positioning stage; 30 µm travel range; capacitive, direct position measuring; LEMO LVPZT; 1.5 m cable length
LISA linear actuator and positioning stage; 30 µm travel range; capacitive, direct position measuring; D-sub 7W2 (m); 1.5 m cable length
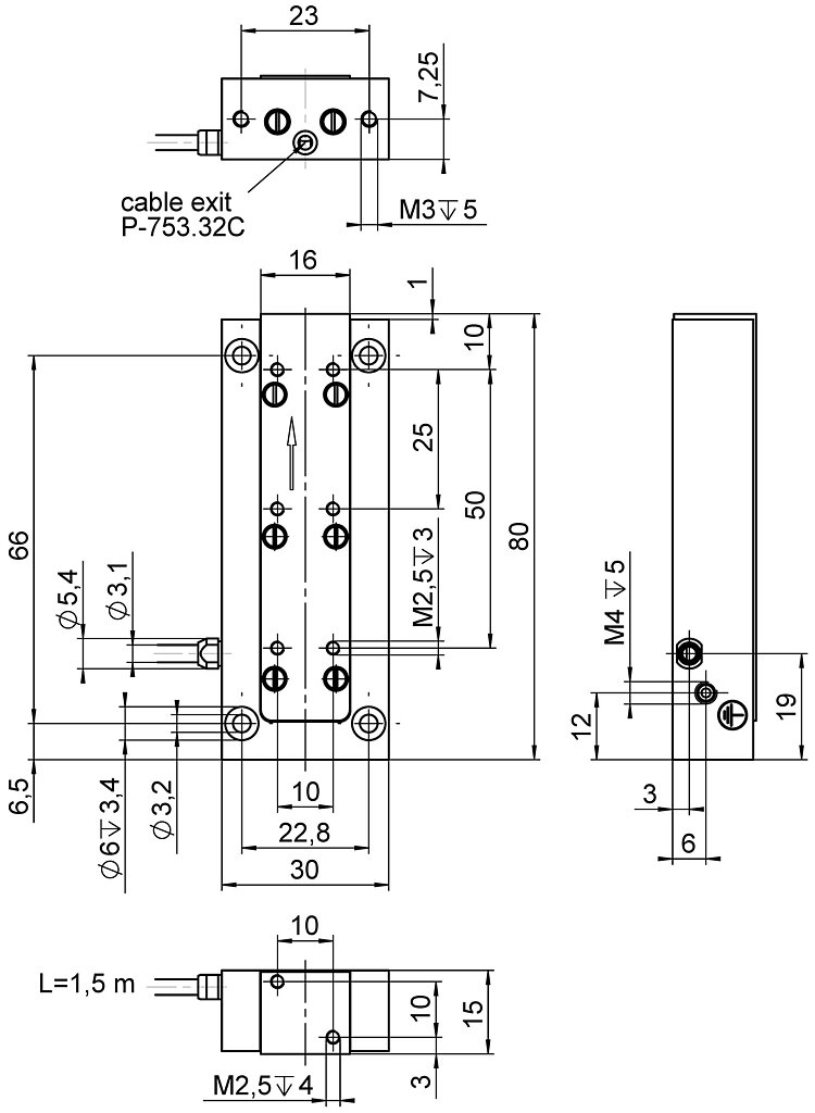
LISA linear actuator and positioning stage; 38 µm travel range; capacitive, direct position measuring; LEMO LVPZT; 1.5 m cable length
LISA linear actuator and positioning stage; 38 µm travel range; capacitive, direct position measuring; D-sub 7W2 (m); 1.5 m cable length
How to Get a Quote

Questions? - Ask a PI Engineer
Technology

PICMA® Technology
Highly reliable and extended lifetime through the patented manufacturing process for multilayer actuators.

Vacuum
Careful handling, adequate premises: PI does not only have the necessary equipment for the qualification of materials, components and final products, but also has many years of experience with regard to HV und UHV positioning systems.

Flexure Guiding Systems
Flexure guides from PI have proven their worth in nanopositioning. They guide the piezo actuator and ensure a straight motion without tilting or lateral offset.

Capacitive Sensors
Capacitive sensors are the metrology system of choice for the most demanding nanopositioning applications.











