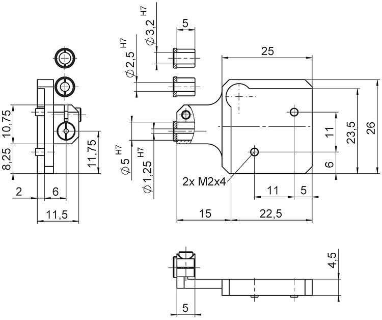
Fiber holder 10° for P-616, short, with fiber optic ferrules 1.25 mm, 2.5 mm, and 3.2 mm
NEW
F-603.4x Fiber Holders for P-616
Accessories
- For fiber alignment with the P-616 NanoCube® nanopositioner
- Fiber holders 10° and 90°
- All holders incl. fiber optic ferrules 1.25 mm, 2.5 mm, and 3.2 mm




F-603.4x Fiber Holders for P-616
Product Description
Specifications
Downloads
Quote / Order
Downloads
Datasheet
Documentation
Documentation
User Manual F603T0003
F-603.41 / F-603.42 / F-603.43 Fiber holders for P-616-type (NanoCube®) piezo positioners
Version / Date
2026-04-10
pdf - 1 MB
English
3D Models
3D Models
F-603 3D Model
zip - 338 KB
Ask for a free quote on quantities required, prices, and lead times or describe your desired modification.
F-603.41 NEW!
F-603.42 NEW!
Fiber holder 10° for P-616, long, with fiber optic ferrules 1.25 mm, 2.5 mm, and 3.2 mm
F-603.43 NEW!
Fiber holder 90° for P-616, with fiber optic ferrules 1.25 mm, 2.5 mm, and 3.2 mm







