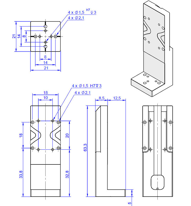
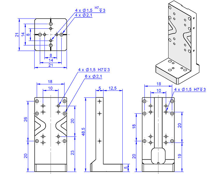
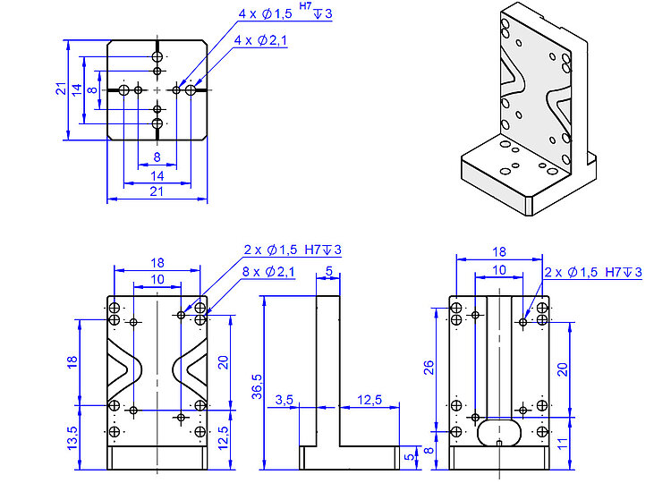
Q-121 Adapter Brackets and Adapter Plate

For Mounting Q-521 Miniature Linear Stages

  • For setup of multi-axis systems
  • For vertical and XY mounting
  • For travel ranges of 12, 22, and 32 mm
Q-121 Adapter Brackets and Adapter Plate
Product Description Downloads Quote / Order

Downloads

Datasheet

Datasheet

Datasheet Q-121

Version / Date
2018-03-23
pdf - 1,004 KB
Version / Date
2018-03-23
pdf - 1,000 KB

3D Models

3D Models

Q-121.xxx 3-D model

zip - 289 KB

Quote / Order

Ask for a free quote on quantities required, prices, and lead times or describe your desired modification.

How to Get a Quote

Click on QUOTE / ORDER
Add variant to quote list
Fill out quote form
Send price request to PI
We will contact you shortly

Compatible Products