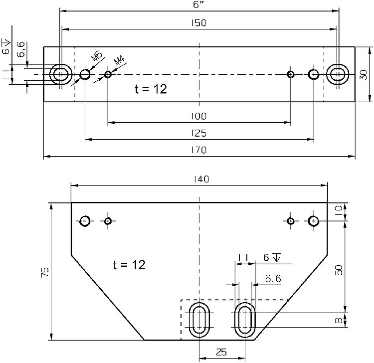
M-590.00 Three-Point Support Set

For Mounting M-511, M-521 and M-531 Stages on Honeycomb Table Tops etc.

  • (Metric and imperial)
M-590.00 Three-Point Support Set
Product Description Downloads Quote / Order

Downloads

Datasheet

Datasheet

Datasheet M-590.00

Version / Date
2015-04-14
pdf - 681 KB
Version / Date
2015-04-14
pdf - 678 KB

Quote / Order

Ask for a free quote on quantities required, prices, and lead times or describe your desired modification.

Ask about custom designs!

How to Get a Quote

Click on QUOTE / ORDER
Add variant to quote list
Fill out quote form
Send price request to PI
We will contact you shortly