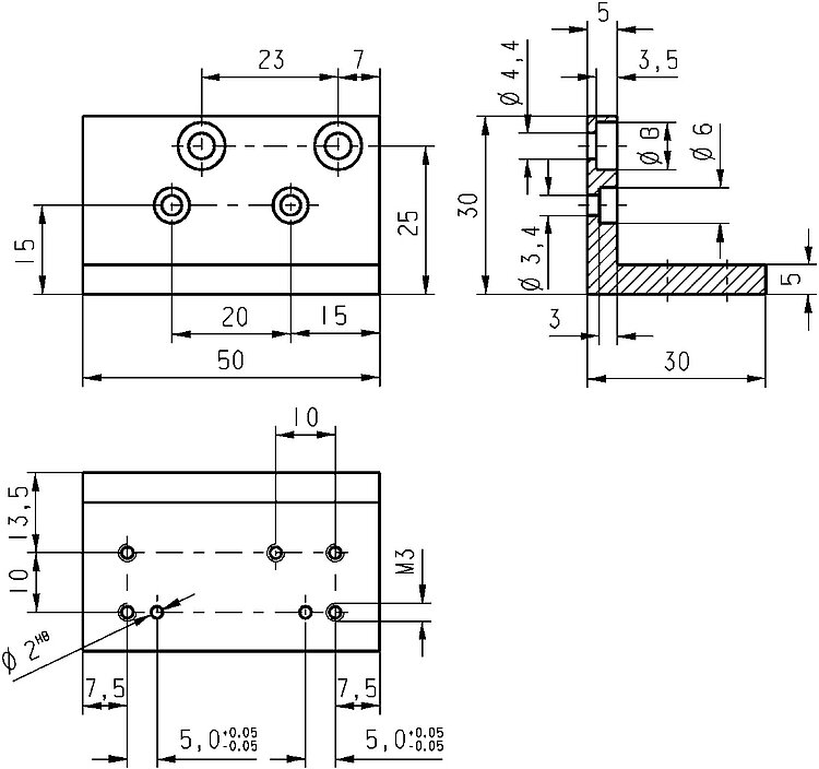
M-009.20 Mounting Bracket

For Mounting P-280 PZT Block Actuators or F-010 Fiber Holders

  • On vertically mounted M-105 / M-106 stages
M-009.20 Mounting Bracket
Product Description Downloads Quote / Order

Downloads

Datasheet

Datasheet

Datasheet M-009.20

Version / Date
2015-04-13
pdf - 677 KB
Version / Date
2015-04-13
pdf - 676 KB

Quote / Order

Ask for a free quote on quantities required, prices, and lead times or describe your desired modification.

How to Get a Quote

Click on QUOTE / ORDER
Add variant to quote list
Fill out quote form
Send price request to PI
We will contact you shortly

Compatible Products