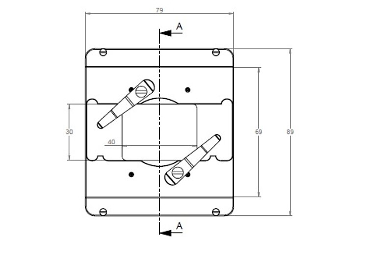
P-542.SH1 Microscope Slide Holder

For P-54x Nanopositioning Systems

P-542.SH1 Microscope Slide Holder
Product Description Downloads Quote / Order

Downloads

Datasheet

Datasheet

Datasheet P-542.SH1

Version / Date
2015-05-19
pdf - 679 KB
Version / Date
2015-05-19
pdf - 678 KB

Brochure

Brochure

Microscope Stage Configurator

Sample Stages and Holders for Inverted Microscopes

Version / Date
BRO70E
pdf - 3 MB
English

Quote / Order

Ask for a free quote on quantities required, prices, and lead times or describe your desired modification.

Ask about custom designs!

How to Get a Quote

Click on QUOTE / ORDER
Add variant to quote list
Fill out quote form
Send price request to PI
We will contact you shortly
Compatible Products Related Accessories