NEW

V-855.TTx Motion Platform for V-855 Positioners

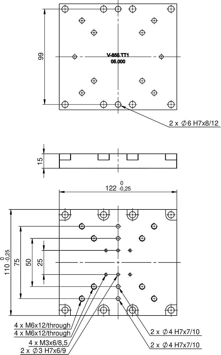
Triple M6 Hole Pattern

  • Hole pattern, 25 mm × 25 mm
  • Hole pattern, 50 mm × 50 mm
  • Hole pattern, 75 mm × 75 mm
  • M3 and M6 threaded holes
V-855.TTx Motion Platform for V-855 Positioners
Product Description Specifications Downloads Quote / Order

Product overview

The motion platform is available as optional accessory for the V-855 high-speed linear stages.

It offers versatile assembly options with a triple M6 hole pattern.

Specifications

Datasheet

Datasheet V-855.TTx

Version / Date
2021-07-28
pdf - 347 KB
Version / Date
2021-07-28
pdf - 352 KB

Downloads

Datasheet

Datasheet

Datasheet V-855.TTx

Version / Date
2021-07-28
pdf - 347 KB
Version / Date
2021-07-28
pdf - 352 KB

3D Models

3D Models

3-D model V-855.TT1

Version / Date
2021-07-28
zip - 319 KB

Ask for a free quote on quantities required, prices, and lead times or describe your desired modification.

How to Get a Quote

Click on QUOTE / ORDER
Add variant to quote list
Fill out quote form
Send price request to PI
We will contact you shortly

Compatible Products