NEW

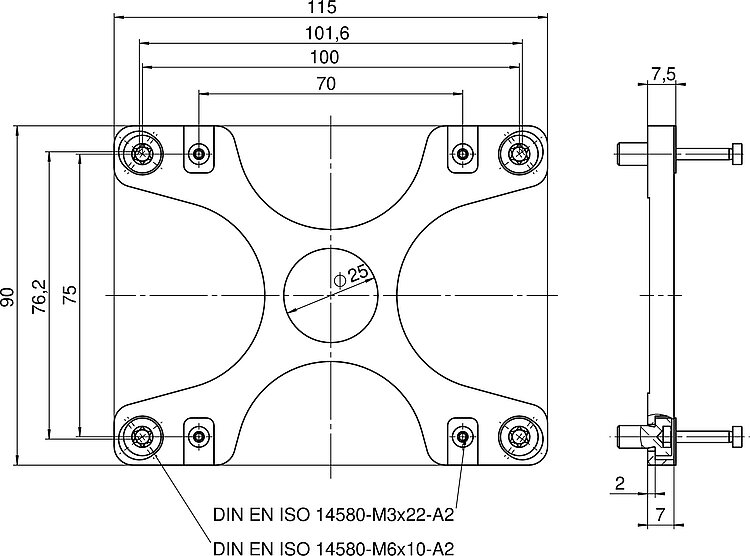
V-308.APx Adapter Plate for V-308

For Mounting V-308 on Honeycomb Tables

  • Mounting on honeycomb tables with metrical hole pattern
  • Mounting on honeycomb tables with imperial hole pattern
V-308.APx Adapter Plate for V-308
Product Description Specifications Downloads Quote / Order

Specifications

Datasheet

Datasheet V-308.APx

Version / Date
2021-07-08
pdf - 2 MB
Version / Date
2021-07-08
pdf - 2 MB

Downloads

Datasheet

Datasheet

Datasheet V-308.APx

Version / Date
2021-07-08
pdf - 2 MB
Version / Date
2021-07-08
pdf - 2 MB

3D Models

3D Models

3D model V-308.AP1

Version / Date
2021-07-08
zip - 138 KB

Ask for a free quote on quantities required, prices, and lead times or describe your desired modification.

How to Get a Quote

Click on QUOTE / ORDER
Add variant to quote list
Fill out quote form
Send price request to PI
We will contact you shortly

Compatible Products