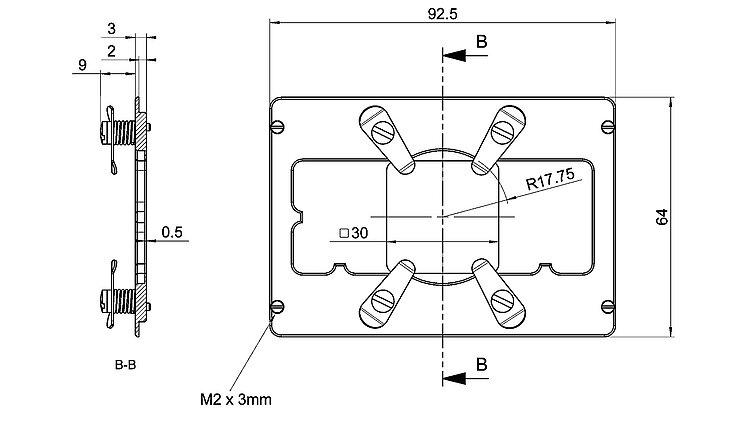
P-545.PD3 Petri Dish Holder

35 mm, for PInano® Piezo Stages

P-545.PD3 Petri Dish Holder
Product Description Downloads Quote / Order

Downloads

Datasheet

Datasheet

Datasheet P-545.PD3

Version / Date
2015-05-19
pdf - 700 KB
Version / Date
2015-05-19
pdf - 695 KB

3D Models

3D Models

P-545.SH3 3D Model

zip - 468 KB

Brochure

Brochure

Microscope Stage Configurator

Sample Stages and Holders for Inverted Microscopes

Version / Date
BRO70E
pdf - 3 MB
English

Quote / Order

Ask for a free quote on quantities required, prices, and lead times or describe your desired modification.

How to Get a Quote

Click on QUOTE / ORDER
Add variant to quote list
Fill out quote form
Send price request to PI
We will contact you shortly
Compatible Products Related Accessories